Search
Shopping cart
My account
Categories
CYLINDER - CYLINDER HEAD
CYLINDER - CYLINDER HEAD

CYLINDER - CYLINDER HEAD

Valve Camshaft
Valve Camshaft

Valve Camshaft

Trochoid oilpump
Trochoid oilpump

Trochoid oilpump

RIGHT COVER-CLUTCH
RIGHT COVER-CLUTCH

RIGHT COVER-CLUTCH

TRANSMISSION - PEDAL SHAFT
TRANSMISSION - PEDAL SHAFT

TRANSMISSION - PEDAL SHAFT

Crankcase
Crankcase

Crankcase

Crankshaft and Piston
Crankshaft and Piston

Crankshaft and Piston

Carburator old type
Carburator old type

Carburator old type

Carburator old type
Carburator old type

Carburator old type

Air cleaner
Air cleaner

Air cleaner

Front fender
Front fender

Front fender

Frame body
Frame body

Frame body

chaincase mainstand seat rear fender
chaincase mainstand seat rear fender

chaincase mainstand seat rear fender

Frame body rear fender
Frame body rear fender

Frame body rear fender

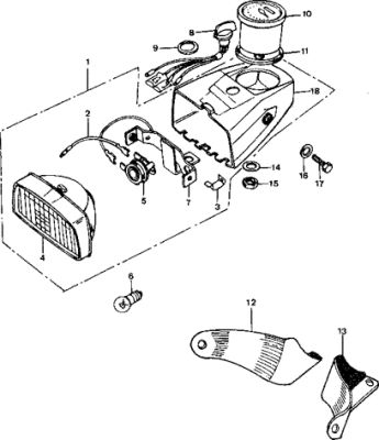
Headlight Speedometer Rearlight
Headlight Speedometer Rearlight

Headlight Speedometer Rearlight

Headlight (B/NL/F/DK)
Headlight BNLFDK

Headlight (B/NL/F/DK)

Headlight Speedometer (B/NL/F(RDX))
Headlight Speedometer BNLFRDX

Headlight Speedometer (B/NL/F(RDX))

Headlight Speedometer Rearlight (GB)
Headlight Speedometer Rearlight GB

Headlight Speedometer Rearlight (GB)

Headlight Speedometer (GB)
Headlight Speedometer GB

Headlight Speedometer (GB)

BRACKET NUMBER PLATE - MIRROR - NUMBER PLATE (GB)
BRACKET NUMBER PLATE - MIRROR - NUMBER PLATE GB

BRACKET NUMBER PLATE - MIRROR - NUMBER PLATE (GB)

Rear fork chain case shock
Rear fork chain case shock

Rear fork chain case shock

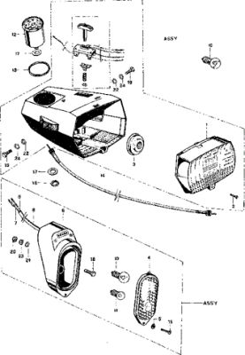
Fuel tank - Fuel Cock
Fuel tank - Fuel Cock

Fuel tank - Fuel Cock

Steering Handle
Steering Handle

Steering Handle

Optional parts
Optional parts

Optional parts

Front Cushion
Front Cushion

Front Cushion

Front Wheel
Front Wheel

Front Wheel

Fuel tank Exhaust
Fuel tank Exhaust

Fuel tank Exhaust